Le ExtremeFlow est l'air ultime à bord
compresseur et est particulièrement adapté pour les 4x4
l'ExtremeFlow est entraîné par le moteur via l'intermédiaire d'un embrayage par la courroie d'accessoire
le compresseur est commandé en fonction du besoin via un interupteur.
L'ExtremeFlow peut fournir un debit directe de sortie jusqu'à 227l/min à 7bars et charger un réservoir d'air.
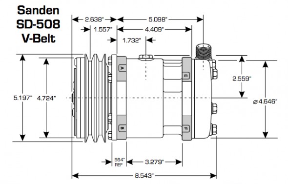
Poulies sont disponibles avec
soit une section ou des rainures PolyV.
Les applications typiques sont:
Gonflage des pneus
Ateliers mobiles
Cle a choc et d'autres outils pneumatiques peuvent etre utilisé
La performance de gonflage des pneus en 7.50R16
de 0-3 bars en 1minute, 30 secondes sans cuve.
Spécifications techniques
Compresseur nominale:
150l/m 7bar à1500 rpm
Taille (compresseur de base):
diax220mm 140mm.
Poids:
8,5 kg
Embrayage actuel:
3.5A @ 12v dc
Visa / MasterCard / CB
PayPal / Chèque / Virement
En France métropolitaine
et DOM-TOM / Union européenne
Assistance
Tél: 03 89 61 90 88
Informations pratiques
Horaire Agence de Voyage
Nous sommes heureux de vous accueillir dans notre agence de voyage sur rendez-vous.
Pour toute visite à un autre moment, merci de prendre rendez-vous. Nous vous accueillerons avec plaisir en dehors de ces horaires.
Nos partenaires



